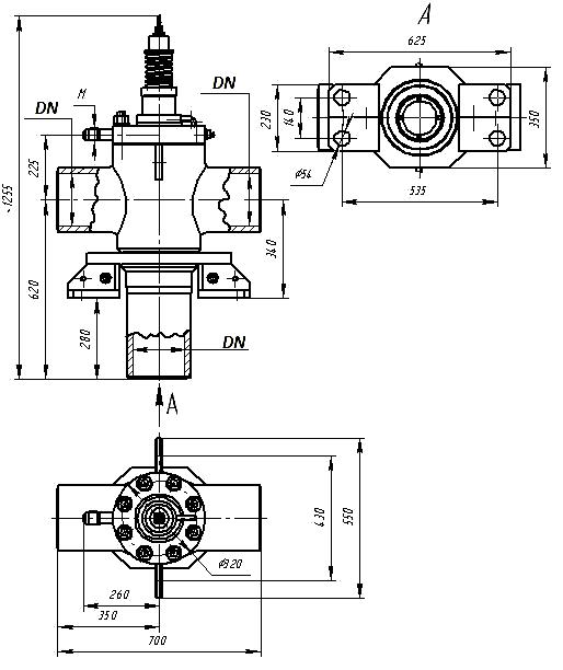
Клапан главный предохранительный ЭИ 100.150/150
| Проход условный (размер номинальный) DN | 150/150 |
| Рабочая среда | перегретый водяной пар |
| Температура рабочей среды, °С | 540 |
| Максимальное рабочее давление, МПа | 9,8 |
| Давление срабатывания, МПа | 10,7 |
| Минимальное давление импульса управления, МПа | 8,5 |
| Коэффициент расхода | 0,5 |
| Расход пара при рабочих параметрах Kv100,, т/ч | 120 |
| Минимальная площадь проходного сечения седла, мм2 | 6190 |
|
Материал: - корпус - затвор - седло - штока
|
сталь 12Х1МФ 12Х1МФ + наплавка 12Х18Н10Т + наплавка сталь 12Х18Н10Т |
| Масса, кг | 438 |
Назначение: обеспечение безопасной работы котла.
Применение: в качестве главного предохранительного клапана котлов энергоблоков различной мощности.
Особенности конструкции: все элементы проточной части съёмные, чем обеспечивается возможность их замены без демонтажа корпуса клапана из паропровода.
Общий срок эксплуатации – 200 тыс. часов.
Клапаны эксплуатируются на Добротворской ТЭС.

