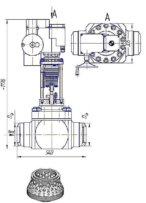
Клапан регулирующий ЭИ 95.125КЭ
|
Проход условный (размер номинальный) DN |
100 |
125 |
|
Рабочая среда |
вода / пар |
вода / пар |
|
Рабочее давление Рр, МПа |
28,4 |
|
|
Рабочая температура Тр, °С |
540 |
|
|
Перепад давления (max), МПа |
полный |
|
|
Максимальное тяговое усилие на штоке, Н |
22 800 |
22 800 |
|
Привод |
МЭП 25000/80-80 |
|
|
Мощность, КВт |
0,74 |
|
|
Материалы: |
|
|
|
– корпус |
сталь 12Х1МФ, 15Х1МФ |
|
|
– клетка, плунжер, шток |
высоколегированные марки сталей и сплавов с применением термообработки, карбонитрациией |
|
|
Уплотнения |
ТРГ |
|
|
Исполнение корпусов |
проходное |
|
|
Ход поршня, мм |
70 |
|
|
Время полного открытия/закрытия, сек |
70 |
|
|
Максимальная площадь проходного сечения Fmax, см2 *** |
72 |
72 |
|
Максимальная пропускная способность Kv100, , т/ч *** |
200 | |
|
Масса, кг |
234 | 265 |
*** - согласно ТЗ Заказчика
Назначение: регулирование параметров рабочей среды в теплоэнергетических установках.
Применение: дроссельно-регулирующие клапаны (Д1 , Д2 , Д3 ) энергоблоков ТЭС и др. теплосиловых установок.
Особенности конструкции: клапан имеет сменные элементы проточной части, затвор клеточного типа с разгруженным плунжером (золотником), три ступени снижения давления. Встроенный электропривод типа МЭП. Ремонт производится без демонтажа клапана из трубопровода путем замены затвора («клетка – плунжер», уплотнительные элементы). Расчётный срок эксплуатации – 200 тыс. часов.
Клапаны эксплуатируются на энергоблоках следующих ТЭС: Славянской.

